Magna Concursos
1901582 Ano: 2014
Disciplina: Eletroeletrônica
Banca: EXATUS
Orgão: CEB

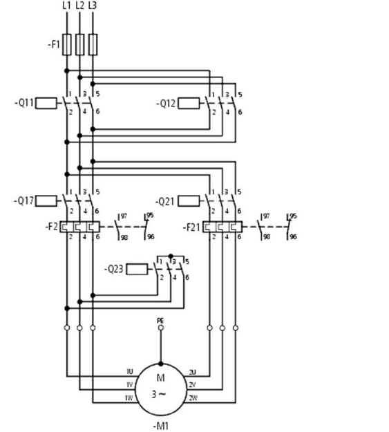
Observe com atenção o circuito abaixo:

enunciado 1901582-1

O mesmo representa o circuito de acionamento de um:

 

Provas

Questão presente nas seguintes provas

Técnico Industrial - Eletrotécnica

50 Questões