
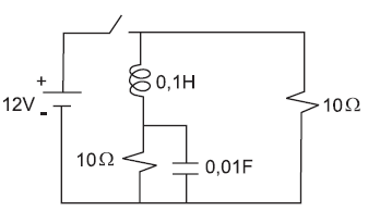
O circuito da figura acima é uma estrutura RLC alimentada por uma fonte de tensão contínua e uma chave de acionamento. No instante em que a chave fecha (t=0), o capacitor e o indutor estão desenergizados. Os valores, em A, das correntes elétricas fornecidas pela fonte em t=0 e quando o circuito atinge o regime permanente, respectivamente, são:
Provas
Questão presente nas seguintes provas