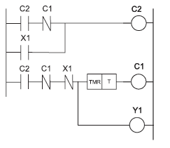
A figura abaixo caracteriza uma instrução em diagramas de contato para um determinado CLP de um temporizador com retardo de ligação.

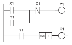
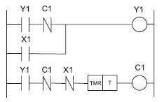
Considerando que C1 e C2 são variáveis binárias auxiliares do CLP, o trecho de programa, em diagrama de contatos, que implementa a função de temporizador por tempo fixo após o desligamento, também ilustrada na figura, é:
Provas
Questão presente nas seguintes provas