Magna Concursos
1006625 Ano: 2019
Disciplina: Eletroeletrônica
Banca: IBADE
Orgão: SAAE Vilhena
Provas:
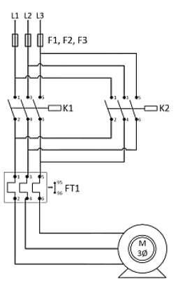
A figura abaixo mostra o circuito de acionamento de um motor trifásico.
enunciado 1006625-1
Os contatores K1 e K2 possibilitam acionar o motor da seguinte forma:
 

Provas

Questão presente nas seguintes provas

Técnico Eletricista

50 Questões