
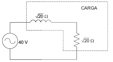
O esquema acima apresenta um circuito com uma fonte de tensão alternada senoidal de 40V eficazes, e uma carga composta por uma associação RL série. A potência ativa solicitada, em W, é de:

O esquema acima apresenta um circuito com uma fonte de tensão alternada senoidal de 40V eficazes, e uma carga composta por uma associação RL série. A potência ativa solicitada, em W, é de: