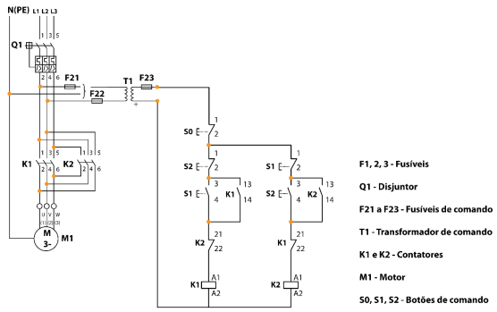
Considere o diagrama a seguir:

Enumere a sequência de funcionamento do diagrama.
I. Botoeira S1 é liberada.
II. Energiza-se o contator K1.
III. K1 é mantido energizado pelo seu contato NA 13,14.
IV. O motor M1 é desligado.
V. O motor M1 parte.
VI. Pressiona-se a botoeira S0.
VII. Pressiona-se a botoeira S1.
VIII.Todos os contatos de K1 mudam de estado.
A sequência encontrada é
Provas
Questão presente nas seguintes provas