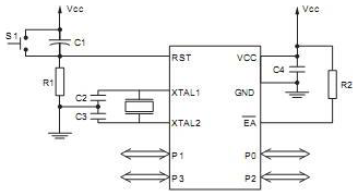
Considere o circuito básico de um microcontrolador 8051 e as afirmações abaixo.

I. Na condição em que se encontra a entrada 
, o microcontrolador está configurado para utilizar a memória de programa externa. II. O circuito formado por C1 e R1 faz o reset automático ao ligar.
III. Imediatamente após o acionamento de S1, os ports P1, P2 e P3 irão para nível lógico “1” e o port P0 ficará com suas saídas em aberto.
Está correto o que consta em