
Em relação ao esquemático precedente, julgue o item que se segue.
O dispositivo C1 é responsável por acionar a parte triângulo da chave estrela-triângulo de partida do motor.

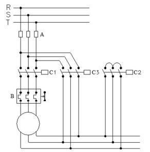
Em relação ao esquemático precedente, julgue o item que se segue.
O dispositivo C1 é responsável por acionar a parte triângulo da chave estrela-triângulo de partida do motor.