Magna Concursos
392698 Ano: 2006
Disciplina: Engenharia de Telecomunicações
Banca: CESGRANRIO
Orgão: Petrobrás

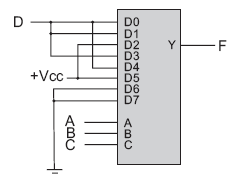
Enunciado 392698-1

No multiplexador acima, C é a entrada de seleção mais significativa. A saída F do multiplexador representa a função:

 

Provas

Questão presente nas seguintes provas

Assistente Técnico de Telecomunicações

50 Questões