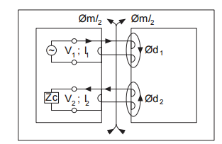
Considere a figura abaixo.

O transformador monofásico ilustrado na figura, tendo em vista a classificação quanto à forma do núcleo, é denominado

O transformador monofásico ilustrado na figura, tendo em vista a classificação quanto à forma do núcleo, é denominado