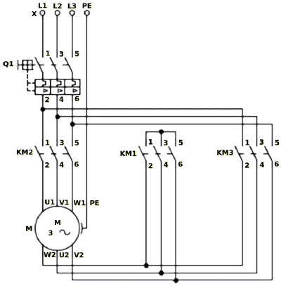
Analise o diagrama trifilar de acionamento de um motor de indução trifásico mostrado abaixo e responda qual o método de partida, sabendo que na partida do motor acontece o acionamento dos contatores KM1 e KM2 e após a atuação de um temporizador (tempo estabelecido pelo fabricante do motor) KM1 é desligado e KM3 é acionado, ficando acionados KM2 e KM3 até o circuito de comando receber um comando de desligamento.
