Magna Concursos
Questões
Planos
Entrar
Entrar
Criar Conta
Respondida
765897
Ano:
2016
Disciplina:
Eletroeletrônica
Banca:
AOCP
Orgão:
Pref. Juiz Fora-MG
Provas:
Técnico de Eletrotécnica
Provas
×
Eletrotécnica
Instalações Elétricas em Eletrotécnica
Interpretação de diagramas
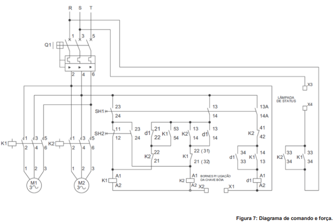
Analise o diagrama elétrico de força e de comando da Figura 7 e assinale a alternativa correta.
A
A Figura 7 apresenta os diagramas de comando e de força do tipo partida estrela-triângulo dupla, com comutação automática de dois motores.
B
A Figura 7 apresenta os diagramas de comando e de força do tipo partida direta trifásica com comutação automática de dois motores.
C
O diagrama de comando da Figura 7 permite o acionamento de dois motores desde que a chave boia esteja fechada e que não haja falta de fase no acionamento do tipo chave compensadora.
D
A Figura 7 mostra uma chave de comando para acionamento de motores em cascata e com realimentação em corrente.
E
A Figura 7 apresenta diagrama de comando e força para acionamento de motores com inversão de sentido de giro e proteção térmica, de tal forma que quando um dos motores gira no sentido horário o outro gira no sentido anti-horário obrigatoriamente.
Resolver
Comentários
0
×
Cadernos
×
Flashcards
×
Estatísticas
×
Reportar um erro
×
Provas
Questão presente nas seguintes provas
Técnico de Eletrotécnica
50 Questões
Resolver Prova
Publicar
Responder
Qual o problema da questão?
Selecione uma opção
Questão Desatualizada
Questão Repetida
Gabarito Errado
Outros Motivos
Mensagem
Enviar
Acessar
Criar Conta
Acesse sua Conta
Google
Facebook
Esqueci minha senha
Acessar
Ainda não tem conta?
Crie uma
!
Crie uma Conta
Criar Conta
Olá, para continuar, precisamos criar uma conta!
É
rápido
e
grátis
.
Google
Facebook
Concordo com os
Termos de Uso
Criar
Já tem uma conta?
Acesse aqui