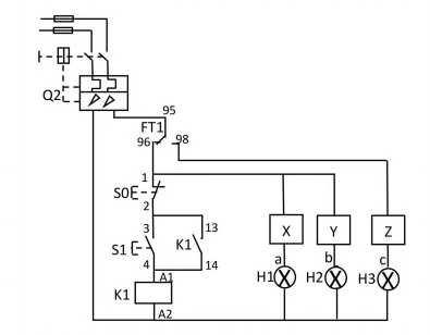
O diagrama de comando ilustrado na figura está relacionado à partida direta do motor trifásico de indução. Não é mostrado o diagrama de força, porém esse diagrama possui um contator (K1) com quatro chaves auxiliares, 3 NAs e 3NFs, e um relé de sobrecarga (FT1) com contatos auxiliares do tipo comutador. Os sinalizadores "H1", "H2" e "H3" devem indicar, respectivamente, três situações: 1a) Motor Parado; 2a) Motor Funcionando e 3a) Motor Parado por sobrecarga. Definir os valores lógicos para "X", "Y" e "Z", usando as chaves auxiliares do contator (bobina K1), se for o caso, e do relé de sobrecarga (FT1) que definam as três situações mencionadas. Para as análises, a chave "Q2" está fechada e as botoeiras são de pulso sem retenção.

Os valores lógicos CORRETOS estão expressos em: