Magna Concursos
1132854 Ano: 2017
Disciplina: Eletroeletrônica
Banca: UFG
Orgão: IF-Goiano
Provas:
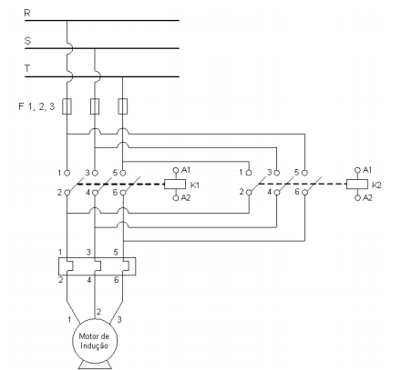
A figura a seguir deve ser usada para responder à questão. Ela representa o circuito de força e o circuito de comando para partida de um motor de indução trifásico.
Enunciado 1132854-1
CIRCUITO DE FORÇA


Enunciado 1132854-2
CIRCUITO DE COMANDO
No circuito de comando, mostrado na figura, o intertravamento
 

Provas

Questão presente nas seguintes provas

Técnico de Eletrotécnica

50 Questões