195584
Ano: 2004
Disciplina: Engenharia de Telecomunicações
Banca: CESPE / CEBRASPE
Orgão: PF
Disciplina: Engenharia de Telecomunicações
Banca: CESPE / CEBRASPE
Orgão: PF
Provas:

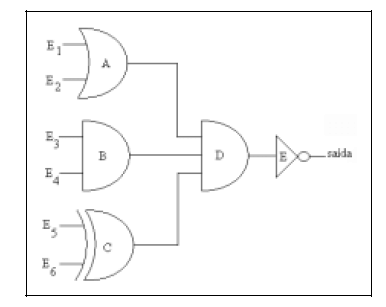
A figura acima mostra o diagrama de um circuito que está sendo analisado por um técnico. Com base nessa figura, julgue os itens que se seguem.
Se as entradas assumirem o valor E1E2E3E4E5E6 = 111001, a saída assumirá o valor lógico 0.