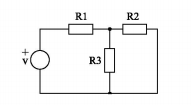
Analise o circuito a seguir para responder às questões de números 21 e 22.
Supor R1= 5 !$ \Omega !$, R2=R3=10 !$ \Omega !$,e a potência dissipada em R2=10 W.

As correntes que circulam nos resistores R2 e R3 são, respectivamente,
Provas
Questão presente nas seguintes provas