
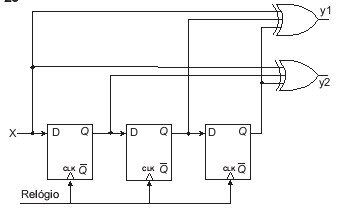
A figura acima ilustra o diagrama de um codificador
convolucional de taxa ½, muito empregado na correção de
erros em sistemas de transmissão digital. Nessa figura, X
representa a seqüência binária gerada pela fonte e y1 e y2
são as seqüências codificadas. Admitindo-se que, inicialmente,
os flip-flops armazenem o bit lógico 0 e que a seqüência
de bits de entrada é X={1, 0, 1, 1}, as seqüências codificadas
y1 e y2 são, respectivamente:
Provas
Questão presente nas seguintes provas