Magna Concursos
486372 Ano: 2019
Disciplina: Engenharia Elétrica
Banca: IADES
Orgão: ALEGO

enunciado 486372-1

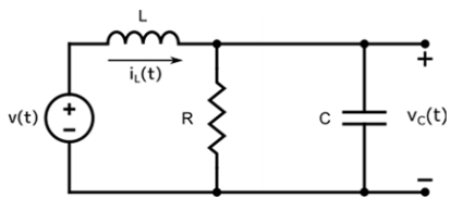
O circuito dessa figura pode ser representado no espaço de estados como

enunciado 486372-2

em que x1 = vC(t), x2 = iL(t), e com

 

Provas

Questão presente nas seguintes provas

Analista Legislativo - Engenharia Elétrica

50 Questões