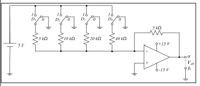
A figura a seguir é uma versão simplificada de um conversor digital/analógico de 4 bits. As chaves D3, D2, D1 e D0 representam o valor binário de entrada; elas apresentam nível lógico zero, quando estão na posição 0 (como mostrado na figura), e nível lógico 1, quando estão na posição 1. O amplificador operacional é ideal.

Com base nas informações apresentadas, qual é a tensão de saída, Vab, quando o valor binário de entrada for [D3 D2 D1 D0] = [0 1 1 0]?