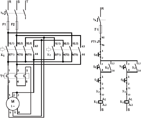
Nas figuras abaixo são mostrados diagramas de partida direta para motores monofásicos a contator com reversão do sentido de rotação.

As letras Z, W, Y e X representam os locais de instalação das botoeiras S1 e S2 que acionam os contatores k1 e k2. Para se ter o perfeito funcionamento da instalação, qual das seqüências seguinte está correta?