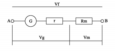
Afigura a seguir representa um voltímetro construído a partir de um galvanômetro G, que possui uma resistência interna r e Vg é a tensão máxima suportável por ele, que foi colocado em série com um resistor multiplicador. Tensões são medidas a partir dos pontos A e B.

A função do resistor multiplicador Rm é
Provas
Questão presente nas seguintes provas