Magna Concursos
1577073 Ano: 2006
Disciplina: Eletroeletrônica
Banca: CONESUL
Orgão: TRENSURB

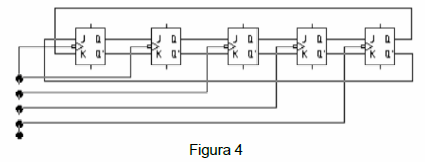
Considere o circuito da figura 4 abaixo:

enunciado 1577073-1

Trata-se de:

 

Provas

Questão presente nas seguintes provas

Assistente Técnico - Técnico Eletrônico

50 Questões