- EletrotécnicaCircuitos Lógicos e Álgebra Booleana em Eletrotécnica
- EletrônicaEletrônica Digital em Eletroeletrônica
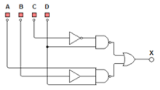
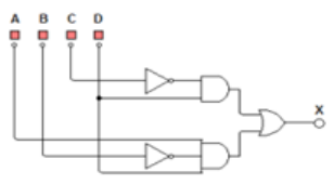
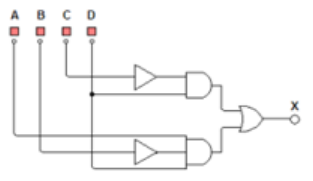
O circuito digital simplificado, gerado a partir da tabela verdade fornecida abaixo é apresentado na letra:

Provas
Questão presente nas seguintes provas