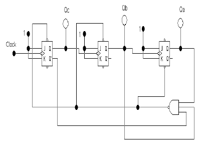
Considerando a figura a seguir, determine de qual valor o contador assíncrono começa a contar e em qual valor termina a contagem.
Considerando a figura a seguir, determine de qual valor o contador assíncrono começa a contar e em qual valor termina a contagem.