
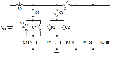
A figura acima apresenta o circuito lógico para o acionamento de duas máquinas trifásicas por intermédio dos contatores C1 e C2. As chaves S0 e S1 são do tipo sem retenção. O ato de acionar uma chave significa apertála e soltá-la em seguida. Os relés K1 e K2 são do tipo com retardo na ligação, programados, respectivamente, para 25 minutos e 15 minutos. O relé K3 é do tipo com retardo no desligamento, programado para 20 minutos. Considere que o operador acionou a chave S0 e, uma hora depois, a chave S1. A partir desse último instante, analise as afirmativas abaixo.
I - A máquina comandada por C1 entrará imediatamente em funcionamento e permanecerá nesse estado por cerca de 45 minutos, quando, então, será desligada.
II - Após 15 minutos, a máquina comandada por C2 será ligada e funcionará por 20 minutos.
III - Após 45 minutos, ambas as máquinas estarão desligadas, encerrando-se o ciclo.
É(São) correta(s) APENAS a(s) afirmativa(s)