Magna Concursos
650171 Ano: 2014
Disciplina: Eletroeletrônica
Banca: CESGRANRIO
Orgão: Petrobrás
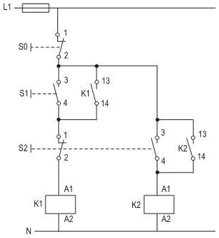
A Figura abaixo mostra o diagrama de comando de dois motores acionados pelas contatoras K1 (Motor 1) e K2 (Motor 2).

enunciado 650171-1

Analisando o diagrama, conclui-se que
 

Provas

Questão presente nas seguintes provas

Técnico de Manutenção - Elétrica

60 Questões