Magna Concursos
605976 Ano: 2015
Disciplina: Eletroeletrônica
Banca: CESPE / CEBRASPE
Orgão: STJ

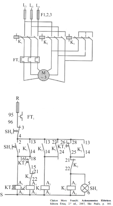
Enunciado 605976-1

As figuras apresentadas ilustram diagramas de força e de comando para a ligação de um motor de indução trifásico a uma rede elétrica. Com base nessas figuras, julgue o item que se segue considerando que a partida do motor ocorra por meio da conexão de chave estrela-triângulo.
O início da partida do motor ocorre em estrela, quando o relé KT1 é energizado, como resultado do fechamento dos contatos 13-14.
 

Provas

Questão presente nas seguintes provas