Magna Concursos
399482 Ano: 2017
Disciplina: Eletroeletrônica
Banca: UFF
Orgão: UFF
Provas:

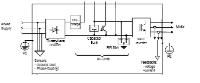
Observe o diagrama abaixo.

Enunciado 399482-1

Trata-se de um:

 

Provas

Questão presente nas seguintes provas

Técnico de Eletromecânica

65 Questões