3605911
Ano: 2025
Disciplina: Eletroeletrônica
Banca: FUNDATEC
Orgão: Pref. Tangará Serra-MT
Disciplina: Eletroeletrônica
Banca: FUNDATEC
Orgão: Pref. Tangará Serra-MT
Provas:
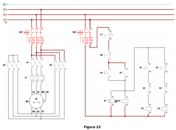
A Figura 22 abaixo apresenta o diagrama de força e controle de um motor trifásico
de 6 terminais.
Considerando as informações apresentadas, é correto afirmar que se trata de um diagrama esquemático de partida
Considerando as informações apresentadas, é correto afirmar que se trata de um diagrama esquemático de partida