Magna Concursos
399480 Ano: 2017
Disciplina: Eletroeletrônica
Banca: UFF
Orgão: UFF
Provas:

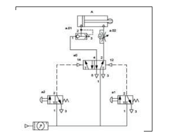
Analise o diagrama de comando abaixo.

Enunciado 399480-1

O diagrama se refere a um:

 

Provas

Questão presente nas seguintes provas

Técnico de Eletromecânica

65 Questões