Magna Concursos
440532 Ano: 2014
Disciplina: Eletroeletrônica
Banca: FCC
Orgão: TJ-AP
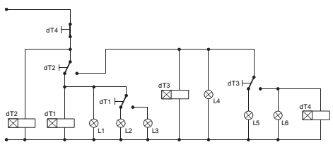
No circuito de comando abaixo, os relés com temporização na energização estão ajustados para os tempos seguintes: dT1 = 30 s; dT2 = 60 s; dT3 = 30 s; dT4 = 30 s.
enunciado 440532-1
Considerando que a condição do esquema (contato dT4 fechado) coincide com o instante zero, logo após 180 s estarão acesas apenas as lâmpadas
 

Provas

Questão presente nas seguintes provas

Analista Judiciário - Engenharia Elétrica

60 Questões