- EletrotécnicaCircuitos Elétricos em Eletricidade
- EletrotécnicaMotores
- EletrotécnicaEquipamentos Elétricos
- EletrotécnicaCircuitos de Corrente Contínua e de Corrente Alternada
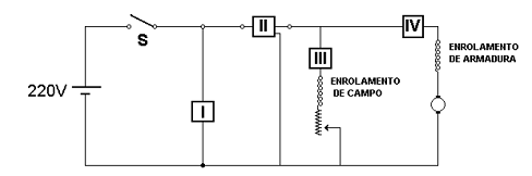
A figura a seguir representa um motor de corrente contínua tipo shunt.
Os elementos I, II, II e IV representam instrumentos de medição.

Marque a alternativa CORRETA.