

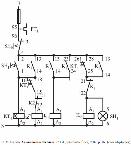
A figura acima ilustra o diagrama de força e de comando para acionamento de um motor de indução trifásico por meio de chave estrela-triângulo. O circuito de força está ligado às fases R, S e T e o circuito de comando, entre as fases R e S. Considerando essas informações e a simbologia adotada, julgue o próximo item.
O símbolo indicado por KT1 representa um relé de sobrecarga. Esse dispositivo é ajustado de modo a evitar que o motor venha a ser submetido a correntes superiores a uma corrente máxima para a qual o motor possa funcionar, mesmo com carga acima da nominal para um intervalo de tempo limitado.
O símbolo indicado por KT1 representa um relé de sobrecarga. Esse dispositivo é ajustado de modo a evitar que o motor venha a ser submetido a correntes superiores a uma corrente máxima para a qual o motor possa funcionar, mesmo com carga acima da nominal para um intervalo de tempo limitado.
Provas
Questão presente nas seguintes provas