Magna Concursos
463190 Ano: 2017
Disciplina: Eletroeletrônica
Banca: FCM
Orgão: IF-RJ

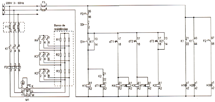
Analise os circuitos de força e comando abaixo.

enunciado 463190-1

Após essa análise, é correto afirmar:

 

Provas

Questão presente nas seguintes provas

Técnico de Laboratório - Eletrotécnica

50 Questões