
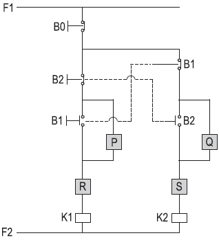
O circuito auxiliar acima é utilizado para o acionamento das contatoras K1 e K2, que serão empregadas em um circuito de reversão trifásico a contator. Os elementos P, Q, R e S devem ser escolhidos de forma a proporcionar o acionamento correto das contatoras. Ao apertar o botão B1, a contatora K1 deve ser energizada para o acionamento do motor em um sentido e, ao apertar o botão B2, a contatora K2 deve ser energizada para o acionamento do motor no sentido reverso. Os elementos P e Q devem ser destinados a manter K1 e K2 acionadas, após os botões B1 e B2 retornarem à posição inicial, respectivamente. Já os elementos R e S devem ser destinados a impedir que as contatoras K1 e K2 sejam energizadas ao mesmo tempo.
Quais contatos devem ser os elementos P, Q, R e S para que o circuito auxiliar funcione adequadamente?

Provas
Questão presente nas seguintes provas