
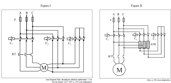
Os motores elétricos de indução, durante a partida, solicitam uma corrente de valor elevado, da ordem de 6 a 10 vezes a sua corrente nominal. Nessas condições, essas sobrecorrentes provocam quedas de tensão nos circuitos de alimentação dos motores, normalmente muito superiores aos limites estabelecidos para o funcionamento em regime normal. Dessa forma, na fase de elaboração de um projeto de acionamento de motores em instalações industriais, como, por exemplo, em acionamento de bombas, em ventiladores e em britadores, deve-se identificar um sistema de partida eficiente para esses motores. Em circuitos sobrecarregados, são usadas, geralmente, chaves estrelatriângulo (Y-)) e chaves compensadoras, ilustradas, respectivamente, nas figuras I e II acima, como forma de suavizar os efeitos da partida dos motores de indução trifásicos. Em relação a essas chaves de partida e com base nas figuras, julgue o item a seguir.
Com a chave de partida estrela-triângulo, durante a partida em estrela do motor de indução, a corrente de partida fica reduzida a \( \dfrac{1}{3} \) do valor que seria obtido com partida direta, enquanto o conjugado de partida reduz-se proporcionalmente ao quadrado da redução da corrente de partida, ou seja, a \( \dfrac{1}{9} \) de seu valor.