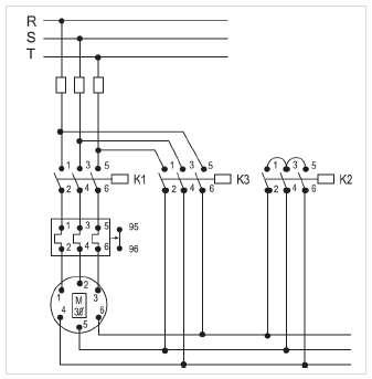
Considere o diagrama de força para partida de motores usando a chave estrela-triângulo, apresentado ao lado.

A respeito desse diagrama, considere as seguintes afirmativas:
1. No instante da partida do motor, somente as chaves contatoras K1 e K3 são energizadas.
2. Após chaveamento da ligação estrela para triângulo, somente as chaves contatoras K1 e K2 estarão energizadas.
3. No regime permanente de operação, somente as chaves contatoras K1 e K3 estarão energizadas.
4. A chave K2 está conectada incorretamente, considerando o esquema estrela-triângulo.
Assinale a alternativa correta.
Provas
Questão presente nas seguintes provas