- EletrotécnicaCircuitos Elétricos em Eletrotécnica
- EletrotécnicaInstalações Elétricas em Eletrotécnica
- Equipamentos e Componentes
- Interpretação de diagramas
- Instrumentos e Medições
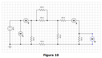
Na Figura 10, os dispositivos Mi são multímetros conectados e configurados para
efetuar medidas elétricas ao longo do circuito:
Para o circuito em questão, determine qual configuração de cada multímetro é a mais adequada para a realização das medidas. Considere que o multímetro terá comportamento ideal para todas as configurações apresentadas, e os instrumentos de medição não devem alterar o correto funcionamento do circuito.
Para o circuito em questão, determine qual configuração de cada multímetro é a mais adequada para a realização das medidas. Considere que o multímetro terá comportamento ideal para todas as configurações apresentadas, e os instrumentos de medição não devem alterar o correto funcionamento do circuito.