Magna Concursos
Questões
Planos
Entrar
Entrar
Criar Conta
Respondida
1233199
Ano:
2016
Disciplina:
Eletroeletrônica
Banca:
AOCP
Orgão:
CASAN-SC
Provas:
Eletrotécnico
Provas
×
Eletrotécnica
Circuitos Elétricos em Eletricidade
Chaves Seccionadoras
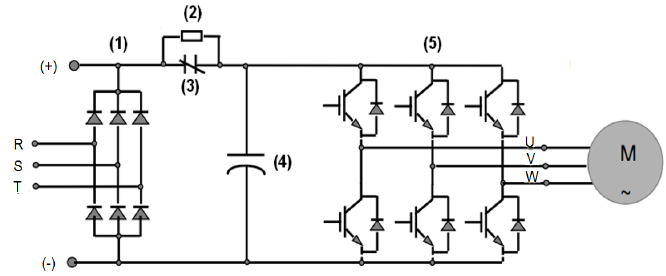
A figura a seguir ilustra o diagrama em blocos de um inversor de frequência genérico. Nesse contexto, assinale a alternativa correta.
A
O componente (1) é o responsável direto pela conversão da tensão do barramento C em CA na saída do Conversor de frequência.
B
O componente (5) é o responsável por transformar a tensão alternada em contínua.
C
O componente (3) é o responsável pela filtragem, chamado de barramento DC.
D
O componente (2) é um resistor de pré-carga, cuja função é limitar a corrente de pico presente no filtro,durante a energização do inversor de frequência.
E
O componente (4) é o responsável pela eliminação do resistor de pré-carga do circuito, após o capacitor ter atingido um nível de carga suficiente.
Resolver
Comentários
0
×
Cadernos
×
Flashcards
×
Estatísticas
×
Reportar um erro
×
Provas
Questão presente nas seguintes provas
Eletrotécnico
50 Questões
Resolver Prova
Publicar
Responder
Qual o problema da questão?
Selecione uma opção
Questão Desatualizada
Questão Repetida
Gabarito Errado
Outros Motivos
Mensagem
Enviar
Acessar
Criar Conta
Acesse sua Conta
Google
Facebook
Esqueci minha senha
Acessar
Ainda não tem conta?
Crie uma
!
Crie uma Conta
Criar Conta
Olá, para continuar, precisamos criar uma conta!
É
rápido
e
grátis
.
Google
Facebook
Concordo com os
Termos de Uso
Criar
Já tem uma conta?
Acesse aqui