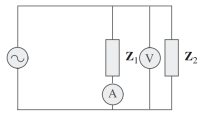
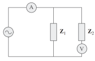
Deseja-se medir a potência ativa na carga Z2 do circuito paralelo
apresentado na figura. Para isso, dispõe-se de um wattímetro, que
é composto, basicamente, de uma bobina para medição de corrente
(amperímetro) e outra para medição de tensão (voltímetro). Considere
os medidores ideais.

O posicionamento correto dos medidores (amperímetro e voltímetro) para a medição de potência em Z2 é representado em:

O posicionamento correto dos medidores (amperímetro e voltímetro) para a medição de potência em Z2 é representado em:
Provas
Questão presente nas seguintes provas