Analise o circuito a seguir em que um autotransformador, regulado em um ponto de derivação de 58,8%, alimenta um motor de indução por meio de um módulo de corrente.

Nesse caso, a potência nominal desse autotransformador é igual a
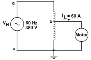
Analise o circuito a seguir em que um autotransformador, regulado em um ponto de derivação de 58,8%, alimenta um motor de indução por meio de um módulo de corrente.

Nesse caso, a potência nominal desse autotransformador é igual a