Magna Concursos
150419 Ano: 2018
Disciplina: Eletroeletrônica
Banca: UFMG
Orgão: UFMG
Provas:
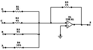
No circuito mostrado abaixo, o amplificador operacional é ideal.
Enunciado 150419-1
Aplicada uma entrada binária DCBA = 1011, em que V(1) = 5V, a tensão na saída S será igual a
 

Provas

Questão presente nas seguintes provas

Técnico Eletricista

45 Questões