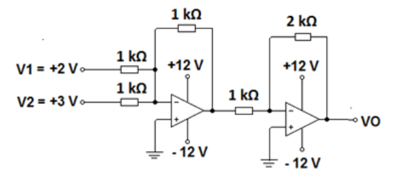
Abaixo é apresentado um circuito utilizando amplificadores operacionais para se fazer uma sequência
de operações matemáticas com sinais (contínuos) aplicados nas entradas V1 e V2. O valor correto da
tensão na saída VO, em relação ao terra do circuito, é mostrado na letra:


Provas
Questão presente nas seguintes provas