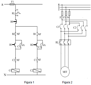
As figuras a seguir apresentam, respectivamente, os diagramas de comando e de potência para acionamento de um motor de indução trifásico. Analise-as para responder a questão.

Conforme representado nas figuras,
Provas
Questão presente nas seguintes provas
Analista de Infraestrutura - Engenharia Elétrica
60 Questões