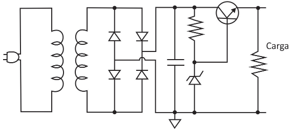
Um analista técnico eletrônico deseja montar uma fonte de alimentação DC, e está estudando o seguinte circuito:

Assim, NÃO é correto afirmar que:
Um analista técnico eletrônico deseja montar uma fonte de alimentação DC, e está estudando o seguinte circuito:

Assim, NÃO é correto afirmar que: