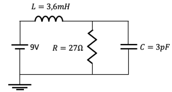
Considere o circuito a seguir, no estado estacionário, composto
por uma bateria de 9V, um indutor L, um resistor R e um
capacitor C.

A energia elétrica armazenada no capacitor e no indutor são, respectivamente, iguais a

A energia elétrica armazenada no capacitor e no indutor são, respectivamente, iguais a