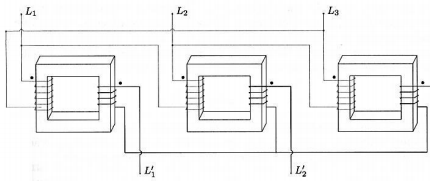
Os arranjos trifásicos podem ser obtidos pelo banco trifásico, formado por três transformadores monofásicos independentes. Na figura ao lado está representado um caso possível de conexão desses transformadores, onde os três transformadores monofásicos são idênticos, com os lados de alta tensão de cada transformador conectados nos terminais L1, L2 e L3 e os lados de baixa tensão conectados nos terminais L’1, L’2 e L’3.
A relação de espiras entre o lado de alta tensão e de baixa tensão é de 10:1.
Com base na figura e nas informações apresentadas, calcule o valor aproximado da tensão eficaz entre L’1 e L’2, considerando que os terminais L1, L2 e L3 estão conectados numa fonte trifásica equilibrada, com tensão de linha de 1000 V eficaz.
