Magna Concursos
1754778 Ano: 2011
Disciplina: Eletroeletrônica
Banca: CESPE / CEBRASPE
Orgão: EBC

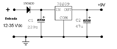
Enunciado 1755367-1

Considerando a figura acima, que ilustra o circuito de uma fonte de alimentação de 9 V e 2 A, julgue os itens subsecutivos.

A tensão de um circuito pode ser medida em ampéres.
 

Provas

Questão presente nas seguintes provas

Técnico da EBC - Apoio à Imagem

120 Questões