Magna Concursos

Enunciado 3817060-1

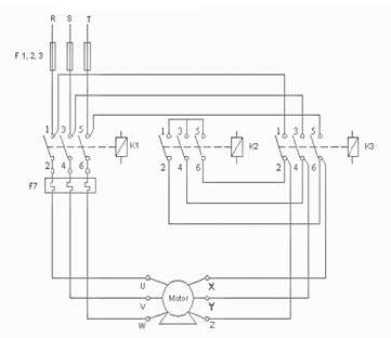
Em relação ao diagrama apresentado acima, é correto afirmar que se trata de

 

Provas

Questão presente nas seguintes provas