Julgue o próximo item, a respeito de acionamentos e controles elétricos.
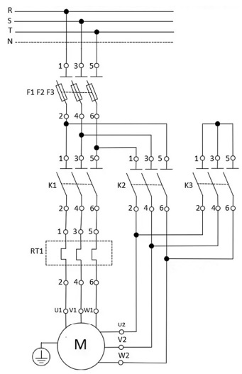
A figura seguinte corresponde ao diagrama unifilar de partida direta de um motor elétrico.

Provas
Questão presente nas seguintes provas
Julgue o próximo item, a respeito de acionamentos e controles elétricos.
A figura seguinte corresponde ao diagrama unifilar de partida direta de um motor elétrico.
